+375 (29) 691-49-11    
      +375 (33) 391-49-11
      +375 (25) 691-49-11
   ТЦ "Некрасовский"
ул.М.Богдановича 118 2эт. пав.38
   самовывоз (резерв обязателен!!!)
     admin@zbt.by (Безнала НЕТ!!!)
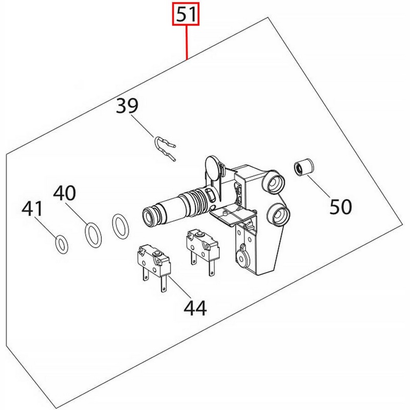
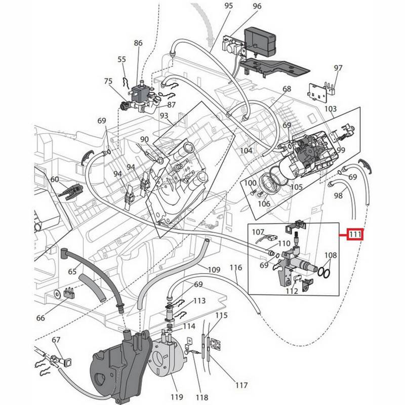
Переходники капучинатора для кофемашин Delonghi

Переходники капучинатора для кофемашин Delonghi

18